Hey guys just picked up my truck yesterday and I love it already. I just wanna recharge my AC and I can't get the compressor to go. I know that you can force the compressor clutch to go by jumping the relay to the battery but there is no diagram on the ac relay to tell me what to jump and I'm dumb. Does anybody know which I need to do? Thanks a bunch in advance!
Mike
AC Compressor Clutch
Moderator: bajabob
- anarchy1024
- Scoobytruck Master
- Posts: 414
- Joined: Mon Apr 12, 2010 4:07 pm
- Location: Toronto, ON
Re: AC Compressor Clutch
Hi Mike,
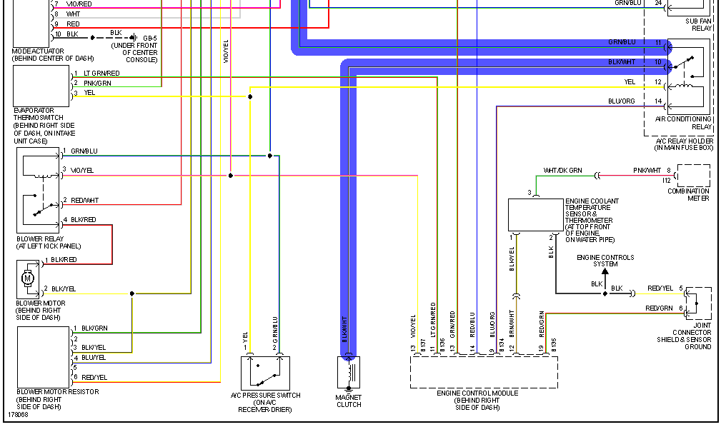
Not sure if it's the same as yours, but this is part of the diagram for the 2003 Baja. What happens when you press the A/C button?
For mine, I had to adjust the clutch by removing a shim as described in http://www.subaruforester.org/vbulletin ... ch-116835/ ... Just don't do it the way the OP did. Instead, get the proper tools from Auto Zone, Part Source, etc. (those shops do free loan-a-tools). But really depends on your symptoms.
Did you check the fuses and relay to ensure they're intact? If there's a short in the electromagnet that engages the clutch, you wouldn't want to engage it directly from the battery. If you still really want to try engaging the clutch manually, seems like you should use a 15A fuse.
Not sure if it's the same as yours, but this is part of the diagram for the 2003 Baja. What happens when you press the A/C button?
For mine, I had to adjust the clutch by removing a shim as described in http://www.subaruforester.org/vbulletin ... ch-116835/ ... Just don't do it the way the OP did. Instead, get the proper tools from Auto Zone, Part Source, etc. (those shops do free loan-a-tools). But really depends on your symptoms.
Did you check the fuses and relay to ensure they're intact? If there's a short in the electromagnet that engages the clutch, you wouldn't want to engage it directly from the battery. If you still really want to try engaging the clutch manually, seems like you should use a 15A fuse.
- Attachments
-
- AC Magnet Clutch.PNG (37.72 KiB) Viewed 8036 times
Re: AC Compressor Clutch
Thanks x100! I just went and did that and it engaged! I started to fill it and then shut the car off to put the old relay back in to test and now it wont engage again even with the 15a fuse. Weird!
Mike
Mike
Re: AC Compressor Clutch
Okay so I got the recharge done and the clutch wont engage unless I force it to and then it works great. So I'm guessing that means either the relay is bad or the temp sensor. Ideas?
Sent from my SM-G920V using Tapatalk
Sent from my SM-G920V using Tapatalk
- anarchy1024
- Scoobytruck Master
- Posts: 414
- Joined: Mon Apr 12, 2010 4:07 pm
- Location: Toronto, ON
Re: AC Compressor Clutch
My guess, without any additional information, would be the relay. They have mechanical parts inside, so it's not uncommon for them to go bad. It's also probably the cheapest and easiest part to replace.
It could also be useful doing a continuity/resistance check on the wires from the switch to the clutch... maybe there's a corroded connector or bad splice job somewhere.
It could also be useful doing a continuity/resistance check on the wires from the switch to the clutch... maybe there's a corroded connector or bad splice job somewhere.
Re: AC Compressor Clutch
Just got the new relay in the mail today. Put it in and... nothing. I'm stumped. I suspect that it may be a temp sensor or something now so I need professional help and diagnosis. This is beyond my limited expertise. Oh well.
Mike
Mike
- anarchy1024
- Scoobytruck Master
- Posts: 414
- Joined: Mon Apr 12, 2010 4:07 pm
- Location: Toronto, ON
Re: AC Compressor Clutch
Yeah... sorry I can't help too much with that. Hopefully it's not too expensive, since all of the mechanical parts appear to be working.
Re: AC Compressor Clutch
Not a problem! I thank you for the help anyway. That added thought process is always welcome! I'm gonna put 'er back together (doing struts, bushings, lift and a bunch of other stuff) and take 'er to somebody who hopefully knows what to do.
Mike
Mike